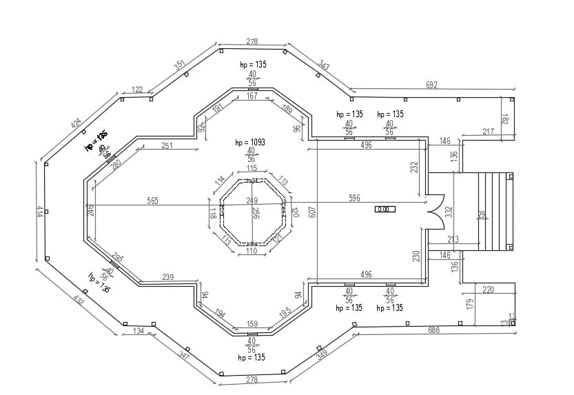
Poiana Frumoasa Tismana Hermitage

3D laser scanning, floor plans, facade plans, point clouds, sections, site plan. Year of completion: 2018 / Area: 2000sqm.
Industry: Heritage Conservation
Services: 3D Scanning
Subservices: Terestrial 3D Scanning
Location: Romania

Share it on:

Facebook
LinkedIn
Email

Related Projects

Grigore Alexandrescu Hospital – Keeping the Ground Safe

Before the first concrete is poured, our people are on site, monitoring the terrain during the excavation phase.
Location: Romania
Industry: Construction

Marie Curie Children’s Hospital – Precision for the Future

Scanning, monitoring, measuring help ensure that hospitals aren’t just standing, but standing strong. That they’re ready for tomorrow’s life-saving procedures.
Location: Romania
Industry: Construction

Precision Scanning & Digital Modeling

At BMW Group’s Debrecen factory, one of Europe’s most advanced automotive plants, innovation meets sustainability in a €2 billion investment.
Location: Hungary
Industry: Industrial
Solution: BIM

Preserving Heritage

Step into history with the Costa-Foru House, a late 19th-century architectural masterpiece crafted in the eclectic French style of the Hôtel particulier.
Location: Romania
Industry: Heritage Conservation

Bridging the Physical and Digital

At INEOS BELGIUM – Project One in Antwerp, engineering precision meets digital innovation.
Location: Belgium
Industry: Industrial
Solution: BIM

Building the Future at Corallis Apartments

In northern Bucharest, along Coralilor Street and overlooking Lake Grivița, Corallis Apartments is redefining modern residential living.
Location: Romania
Industry: Real Estate

Bringing New Life to Forgotten Spaces

Cities are constantly evolving, and sometimes, underutilized spaces deserve a second chance.
Location: Romania
Industry: Heritage Conservation

Ready to future-proof your business? Let’s build a smarter, more profitable future together. Partner with Graphein today!